Selected Project Reference
HMM is an Engineering and EPC company, It was founded recently, however,
our Engineers have long track record of the experience on Oil & Gas, Fertilizer and Chemical projects.
our Engineers have long track record of the experience on Oil & Gas, Fertilizer and Chemical projects.
- Date
- 27 Tháng Hai, 2026
Project Name:Fine Scandinavia Plant Recolation Location:Dat Cuoc Industrial Zone, Binh Duong Province, Vietnam Owner:Fine Scandinavia Scope of Work: Process Equipment Ultilities Equipment Safety Managerment Project Handover:- Date
- 27 Tháng Hai, 2026
Project Name:Surtec Factory Location:Surtec Vietnam Owner:Long Hau Industrial Zone, Long An Province, Vietnam Scope of Work: Construction Managerment Safety Managerment Project Handover:- Date
- 27 Tháng Hai, 2026
Project Name:PIPELINE CONTAIN CALIBRATION @KHS Location:Depot Total, Phnom Penh Cambodia Owner:TotalEnergies Cambodia Scope of Work: Personal Protective Equipment (PPE) Safety Summary pipelines calculation Detail pipelines volume […]- Date
- 27 Tháng Hai, 2026
Project Name:SLA Project Location:No18.st Betong Thmey, Phum Seda ,Kandal Province Cambodia Owner:Starlight Apparel Manufacturing Co.,ltd Scope of Work: Process engineering Piping engineering 3D Drawings Project Handover:- Date
- 28 Tháng Năm, 2025
Project Name:Steam Recover Autoclave System Package:Piping Engineering Design & Installation Works Location:Long Hau Industrial Zone, Can Giuoc District, Long An Province, Vietnam Owner:Saint-Gobain Vietnam Project Handover:May […]- Date
- 28 Tháng Năm, 2025
Project Name:1st Black Pellet Commercial Plant (Binh Dinh 1st Factory) Construction Project – Handrail Work for Torreactor Drum 1 & 2; Talus Black Silo Location:Hoai Tan […]- Date
- 22 Tháng Năm, 2025
Project Name: Fin Project Client: Nestle Vietnam Limited Location: Amata Industrial Zone, Dong Nai Province SOW: – Piping engineering – 3D modeling – Fabrication Drawings- Date
- 22 Tháng Năm, 2025
Project Name: Nha Trang bird’s nest production line Client: Tho Khang Co. Ltd SOW: Design consulting + Factory construction – Budget Estimation – Process Engineering – […]- Client
- PVPro/Long Son Petrochemical Co. Ltd.
- Date
- 10 Tháng Sáu, 2019
Project Name: Long Son Chemical Complex • Client: PVPro/Long Son Petrochemical Co. Ltd. • SOW: Budget review- Client
- PVPro./Ca Mau Fertilizer JSC.
- Date
- 10 Tháng Sáu, 2019
Project Name: Pure Urea Crystallization/DEF • Client: PVPro./Ca Mau Fertilizer JSC. • SOW: – Technical Design for Feasibility Study – Process Engineering – Mechanical Engineering – […]- Client
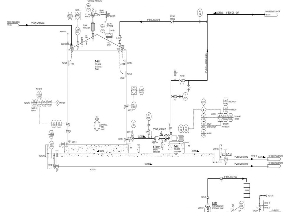
- Henkel Vietnam Co. Ltd.
- Date
- 10 Tháng Sáu, 2019
Project Name: Solvent Storage Tank • Client: Henkel Vietnam Co. Ltd. • SOW: – Basic Engineering – Process Engineering – Mechanical Engineering – Piping Engineering – […]- Date
- 22 Tháng Năm, 2019
Project Name: Bavi Milk Project Client: Tan Vien Ba Vi Milk Joint Stock Company Location: Van Hoa Ward, Ba Vi District, Ha Noi SOW: – Process […]- Date
- 22 Tháng Năm, 2019
Project Name: SSL PROJECT • Client: P&G INDOCHINA- BINH DUONG PLANT • SOW: – DETAIL ENGINEERING – TIME OF COMPLETION 2019














